
Aduo & Aduo Multi air – Animo
text


Le poêle mixte Animo ADUO combine le charme de la flamme du bois et la commodité d’un poêle à granulés. Il offre une reconnaissance automatique du combustible, permettant une transition fluide entre les deux modes de chauffage. Ce système assure une combustion optimale et un confort d’utilisation maximal.
Caractéristiques principales :
-
Combustibles : Bois et granulés (pellets)
-
Reconnaissance automatique du combustible : Oui
-
Régulation d’air automatique (Animatic) : Oui
-
Système de décendrage automatique : Oui
-
Écran tactile moderne pour le réglage : Oui
-
Grand réservoir à granulés : Capacité de 30 kg
-
Raccordement : Arrière ou en haut
-
Option Multi-Air : Permet de chauffer jusqu’à deux pièces supplémentaires via canalisation d’air chaud
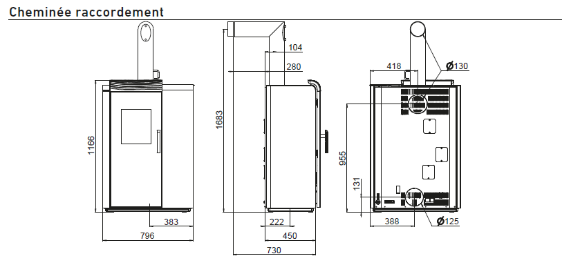
Dimensions et poids
-
Hauteur : 1123 mm
-
Largeur : 792 mm
-
Profondeur : 450 mm
-
Poids :
-
Avec manteau en acier : ~245 kg
-
Avec habillage en pierre : ~280 kg
-
Performances énergétiques
-
Plage de puissance calorifique : 2,5 – 8 kW
-
Capacité de chauffage volumique : 50 – 220 m³ (selon l’isolation de la maison)
-
Rendement :
-
Mode granulés : 90 %
-
Mode bois : 87,1 %
-
-
Efficacité énergétique saisonnière (ETAS) :
-
Mode granulés : 79,1 %
-
Mode bois : 77,1 %
-
-
Émissions (à 13 % O₂) :
-
CO₂ : 0,009 % (90 mg/Nm³)
-
NOₓ : 100 mg/Nm³
-
HC (Composés Organiques Gazeux) : 3 mg/Nm³
-
Particules fines : 19,5 mg/Nm³
-
-
Classe d’efficacité énergétique : A+ ANIMO
Technologies avancées
-
Animatic : Régulation d’air automatique garantissant une combustion efficace et respectueuse de l’environnement. En cas de panne de courant, le poêle peut toujours fonctionner au bois avec un réglage manuel de l’air stroomop.be.
-
Wi-Fire : Module Wi-Fi permettant de contrôler le poêle à distance via une application mobile ou un navigateur web Galer.
-
Multi-Air : Option permettant de canaliser l’air chaud vers une ou deux pièces supplémentaires, idéal pour chauffer plusieurs zones de la maison stroomop.be.
Entretien et installation
-
Décendrage automatique : Réduit la fréquence des nettoyages manuels.
-
Installation : Compatible avec des raccordements à l’arrière ou en haut, offrant une flexibilité selon l’agencement de votre espace.
-
Étanchéité à l’air : 100 % indépendant de l’air ambiant, idéal pour les maisons neuves ou à haute performance énergétique stroomop.be.
Finitions disponibles
Le poêle Animo ADUO est disponible en plusieurs finitions élégantes pour s’adapter à votre intérieur :
-
Acier noir
-
Pierre blanche
-
Pierre ollaire ANIMO
Normes et certifications
-
Normes : EN14785 (granulés), EN13240 (bois)
-
Classe d’efficacité énergétique : A+
-
Émissions minimales : Respecte les normes environnementales strictes, avec des émissions de CO₂ et de NOₓ parmi les plus faibles de sa catégorie ANIMO

Tous Nos Poêles
Découvrez notre gamme complète de poeles adaptés à tous vos besoins.
Poêles à bois
L’authenticité et la convivialité du feu de bois pour une chaleur naturelle et durable.
- Écologique
- Économique
- Autonome
Poêles à granulés
Modernité et praticité avec possibilité de programmation automatique et rendement élevé.
- Programmable
- Rendement
- Silencieux
Poêles mixtes
Le meilleur des deux mondes : un poêle à bois et à granulés dans un seuil appareil polyvalent.
- Polyvalent
- Économique
- Automatique
Nos Marques Partenaires
Pourquoi choisir Poêles et Cheminées pour votre projet ?







